Skip to content

Knowledge Of Sea

We will keep you updated

  • Home
  • Video
  • Chartering Terms
  • Rule of the Road (COLREG)
    • Nautical Flags
    • Rule of the Roads – CARDS
  • Tanker Definitions
  • Downloads
  • ORAL NOTES
    • ORAL NOTES- 2ND OFFICER
    • ORAL NOTES- CHIEF MATE
    • ASM ORAL NOTES 1
    • ASM ORAL NOTES 2
    • ASM ORAL NOTES 3
  • About Me
  • Toggle search form

Category: Tanker

TRO(Total Residual Oxidants) Sensor

Posted on March 29, 2026March 29, 2026 By admin No Comments on TRO(Total Residual Oxidants) Sensor
TRO(Total Residual Oxidants) Sensor

TRO Sensor Ballasting TRO Concentration Alarm/Shutdown TRO_ _ _BHL  [TRO-_ _ _] HIGH/LOW ALARM IN BAL  SHD_TRO_ _ _  [SHD_TRO_ _ _ ] SHDN BY TRO VALUE  Abnormal TRO value  Take measures referring to the following instructions. 1. Check the amount, color, expiration and replacement cycle of the TRO indicator reagent and replace it if…

Read More “TRO(Total Residual Oxidants) Sensor” »

Tanker

CRUDE OIL WASHING OPERATIONS

Posted on February 18, 2026February 18, 2026 By admin No Comments on CRUDE OIL WASHING OPERATIONS
CRUDE OIL WASHING OPERATIONS

Maximum outturn of a crude oil cargo at the discharge port can only be achieved by the correct implementation of a properly prepared crude oil washing (COW), plan. Each tanker which is fitted with a COW system must also have: 1.A crude oil washing operations and equipment manual and2.Personnel appropriately trained to assume overall charge…

Read More “CRUDE OIL WASHING OPERATIONS” »

Tanker

Step-by-Step Procedure for Cargo Weight Calculation

Posted on November 29, 2025November 29, 2025 By admin No Comments on Step-by-Step Procedure for Cargo Weight Calculation
Step-by-Step Procedure for Cargo Weight Calculation

Introduction Crude oil tankers carry massive quantities of crude oil from production terminals to refineries worldwide. Accurate cargo calculations are essential for safety, stability, efficiency, and legal compliance. Inaccurate calculations can cause overloading, cargo losses, environmental hazards, and even compromise the ship’s stability. This guide covers step-by-step procedures and calculations used in modern tanker operations….

Read More “Step-by-Step Procedure for Cargo Weight Calculation” »

Tanker

Free Water

Posted on October 17, 2025October 17, 2025 By admin No Comments on Free Water
Free Water

How does water get into crude oil cargo tanks? Extraction The starting point when considering sources and mechanisms for the ingress of water is the origin of the oil and the production or extraction process. Oil is produced using different methods, with these methods varying depending on the geology of the region being exploited. In…

Read More “Free Water” »

Tanker

Crude Calculations

Posted on September 27, 2025September 27, 2025 By admin No Comments on Crude Calculations

Free water. The measured volume of water in a tank not in suspension with the liquid in the tank at observed temperature. Expressed in cubic meter or/and barrels. Total Observed Volume (TOV). The total measured volume of all petroleum Iiquids,BS&W,and free water at observed temperature.Expressed in cubic meter orland barrels. Gross Observed Volume (GOV). The…

Read More “Crude Calculations” »

Tanker

PORTABLE SUBMERSIBLE PUMPS

Posted on September 20, 2025September 20, 2025 By admin No Comments on PORTABLE SUBMERSIBLE PUMPS
PORTABLE SUBMERSIBLE PUMPS

Check that all hoses and connections are in satisfactory condition and that there are no leaks or soft spots. The flexible hoses are filled with hydraulic oil. Drain off approx. one cup of oil from the hoses before storage (when disconnecting from the main system). Control bend radius for the flexible hoses during storage (min…

Read More “PORTABLE SUBMERSIBLE PUMPS” »

Tanker

CARGO TANK VAPOUR TIGHTNESS TEST

Posted on September 20, 2025September 20, 2025 By admin No Comments on CARGO TANK VAPOUR TIGHTNESS TEST
CARGO TANK VAPOUR TIGHTNESS TEST

Code of Federal Regulations (CFR) requires tanker vessels to issue a vapour tightness certificate with the code.  This is to be documented using the form “T 3 – Vapour Tightness Certificate”. Following method should be used for the purpose of carrying out the test: P/V Valve to be checked for proper functioning prior doing this test….

Read More “CARGO TANK VAPOUR TIGHTNESS TEST

”
»

Tanker

SLOP TANK AND CARGO TANK HEATING

Posted on September 17, 2023September 17, 2023 By admin No Comments on SLOP TANK AND CARGO TANK HEATING
SLOP TANK AND CARGO TANK HEATING

Both the port and starboard slop tanks are fitted with internal grid type heating coils. The port slop tank has eight coils fitted while the starboard slop tank has only two coils fitted. The cargo oil tanks each have three coils. The coils are supplied with 0.9MPa saturated steam from the engine room and the…

Read More “SLOP TANK AND CARGO TANK HEATING” »

Tanker

OPERATION OF THE INERT GAS SYSTEM

Posted on September 17, 2023September 17, 2023 By admin No Comments on OPERATION OF THE INERT GAS SYSTEM
OPERATION OF THE INERT GAS SYSTEM

The flue gas system main control panel is situated in the CCR. This panel contains  the programmable  controller  pushbuttons  etc, which takes care of the start/stop/alarm functions and the running mode. On the front of the panel the system is represented in the form of a mimic diagram, with appropriate indications and pushbuttons. The panel…

Read More “OPERATION OF THE INERT GAS SYSTEM” »

Tanker

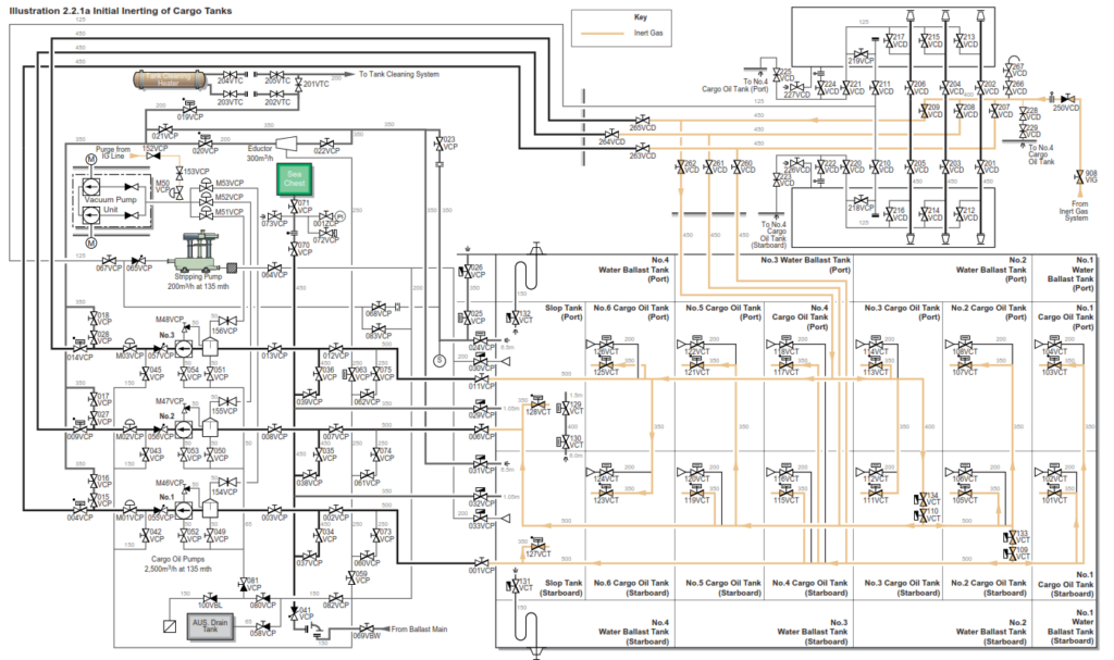
Inerting Cargo Tanks

Posted on September 14, 2023September 14, 2023 By admin No Comments on Inerting Cargo Tanks
Inerting Cargo Tanks

System explained basis my present vessel. INITIAL INERTING Under normal operating conditions the vessel is kept totally inerted. However, after refit or tank inspections some, or all, of the tanks may be gas free. Prior to any cargo operations all COTs must be inerted and this is normally completed en route to the loadport. Good…

Read More “Inerting Cargo Tanks” »

Tanker

Posts pagination

1 2 … 4 Next

Categories

  • Bulk Carrier
  • Cargo handling
  • Engine Room Operations
  • LSA & FFA
  • Maritime Industry
  • Maritime Law
  • Merchant Shipping
  • Navigation
  • Rules and Regulation
  • Ship Construction
  • Shipboard operation
  • Stability
  • Tanker
  • Uncategorized

Blog is primarily for candidates appearing for certificate of competency exams but such is the detail that while being equally suitable for the beginner, it is also reference work for experienced seaman, and the layout and style of blog make it suitable for shipboard training where practical experience can be allied to the theoretical approach.

Recent Comments

  • capt on Radar Best Practice -ARPA
  • admin on Dry Docking (Theory & Numericals)
  • Stelios Karamplakas on Dry Docking (Theory & Numericals)
  • Farid OMARI on Demurrage
  • admin on Tanker Cargo Calculations

Copyright © 2018 knowledge of sea – All Rights Reserved.

If you’re unsure about what type of training will work best for you, just tell us a little more about your needs. We will get back to you as soon as possible with the answers you need!

All answers will be from sailor mouth, who is practically working on board.

May 2026
S M T W T F S
 12
3456789
10111213141516
17181920212223
24252627282930
31  
« Apr    

Copyright © 2026 Knowledge Of Sea.

Powered by PressBook WordPress theme